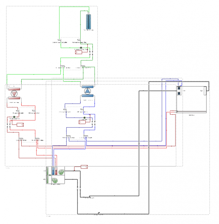
디자인 빌더에서 detailed hvac을 이용하여 지열히트펌프를 그릴때와 simple hvac으로 그릴때의 그래프가 완전히 다릅니다. simple hvac의 결과를 얻고싶은데,
detailed hvac은 다 autosize로 놓았는데 혹시 특별히 설정해주어야할 필드가 있을까요?
(schedule은 조정했습니다.)
"simple hvac" 이라는 것은 결국 통합존으로 계산되는 것입니다. 그러므로 해당 그래프 처럼 나올 수 있습니다.
이 현상은 hvac 과 직접 관련되었다기 보다는 파라메타존의 설정과 관련이 있습니다. 존을 어떻게 나누셨는지 모르겠으나, 멀티존이라면 싱글존으로 변경이 되어야 할 것 같습니다.
아니면 각 존을 따로 계산할 수도 있구요.
그리고, 디자인빌더는 꽤 비싼(?) 유료프로그램입니다. 저희가 유료프로그램의 사용법까지 답변을 드렸으면 좋겠으나, 시간의 한계가 있고, 유료프로그램은 그 판매처에서 답변을 할 의무가 있으므로, 해당 판매처에 문의를 해 주시면 매우 감사하겠습니다.
그래야 저희가... 많은 분들이 딱히 물어 볼 곳이 없는 무료프로그램의 답변에 더 집중할 수 있습니다.
이 현상은 hvac 과 직접 관련되었다기 보다는 파라메타존의 설정과 관련이 있습니다. 존을 어떻게 나누셨는지 모르겠으나, 멀티존이라면 싱글존으로 변경이 되어야 할 것 같습니다.
아니면 각 존을 따로 계산할 수도 있구요.
그리고, 디자인빌더는 꽤 비싼(?) 유료프로그램입니다. 저희가 유료프로그램의 사용법까지 답변을 드렸으면 좋겠으나, 시간의 한계가 있고, 유료프로그램은 그 판매처에서 답변을 할 의무가 있으므로, 해당 판매처에 문의를 해 주시면 매우 감사하겠습니다.
그래야 저희가... 많은 분들이 딱히 물어 볼 곳이 없는 무료프로그램의 답변에 더 집중할 수 있습니다.