노후된 단독주택 내단열 질문 드립니다.

설계/시공관련 질문

질문 전에 먼저 검색을 해주세요.

 

노후된 단독주택 내단열 질문 드립니다.

G 진선덕 2 4,685 2022.09.04 18:02

안녕하세요.

일전에 많은 도움 받아 내단열 관련하여 질의사항이 있어 이렇게 또 도움요청 드립니다.

 

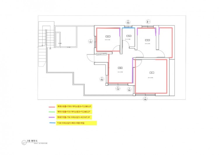
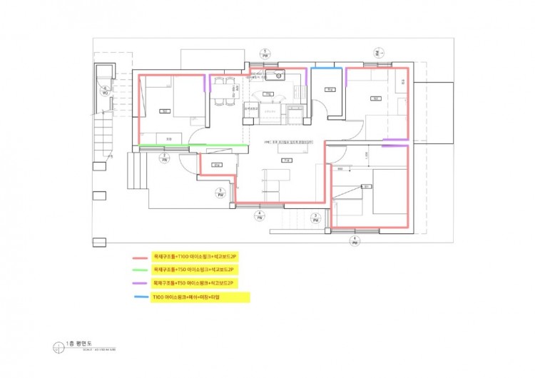
우선, 아래 도면은 직접 실측하여 작성한 도면으로 많이 부족한점 양해 부탁 드립니다.

 

KakaoTalk_20220904_173250566.jpg

 

KakaoTalk_20220904_173251046.jpg

 

일반사항.

1. 약 25년된 2층 단독주택

2. 현재 1층의 일부구간만 단열이 되어 있는 상태.

3. 전체(바닥 난방배관/설비/방통제외) 리모델링 예정.

4. 2층의 최우측(주방 옆)은 전 주인이 불법증축한 구간으로 샌드위치 판넬로 되어 있습니다.

 

위 도면처럼 단열재를 시공 할 예정입니다.

벽체는 범례표 처럼 단열재 시공을 하고, 천장면(평슬라브)도 T100아이소핑크에 우레탄폼과 단열핀을 사용하여 시공 할 예정 입니다.

 

질의사항.

1. 녹색구간은 일부 벽체를 구멍내어 확인해보니 문틀에서의 공간이 50mm뿐이어서 50T 이상을 할 수 없는 상황입니다.(문틀을 가린다는 계산하에 60mm까지는 가능할 것 같습니다.) [방3]이 보일러하고도 멀고, 2층이 없는 구간이라서 겨울에 가장 추운공간인데 더 단열을 완벽하게 할 수 있는 방법이 없을까요?

(외부계단측(도면상 좌측)에 창호가 있었으나 창호는 막아서 단열할 예정입니다.)

 

2. 보라색구간은 전체 T100으로 하려다가 이런저런 관련글들을 최대한 찾아 읽어보니 곰팡이 방지용정도만 하면 된다고 하여 T50으로 줄일 계획 입니다.(공간확보+공사비 하락) 

외기의 닿지 않는 부분의 단열재 시공길이를 어느정도 해야 할까요?(외기에 닿지 않는 부분이라도 단열을 전체 하는게 더 좋다면 그리 하겠습니다.)

 

3. 화장실은 다른벽은 시공이 불가능(벽체에 거울 및 각종 용품과 가구류들의 설치)하여 외측벽만 T100으로 시공하려고 합니다. 현재 외측벽으로 창호가 있었으나 창호를 없애고 배기장치를 설치하려고 합니다.

(목골조 없이 단열핀과 우레탄폼으로 아이소핑크 부착-메쉬+미장-타일마감)

 

4. 천장단열도 T100으로 하려고 합니다. 현재 천장고가 2,400mm이고, 등기구 뜯어서 슬라브까지의 깊이를 보니 약200mm정도가 나와 더 낮추면 좁은집 너무 답답할 것 같아 천장형에어컨이 달리는 일부구간만 단을주어 2,300mm으로 하려고 합니다.

 

5. 목구조틀이 걸리는 위치는 단열재가 들어가지 못할텐데 그 부위에는 우레탄폼으로만 충전해도 될까요?

 

단열재가 두꺼울 수록 좋고 수도권의경우 T160이 기준으로 알고 있으나, 해당기준을 맞추기에는 면적과 예산문제가 있어 T100으로 하고 

외단열도 고려하였으나, 외부여건상(창 주변의 돌출인방/현관규격/공사기간의 장기화 등)의 이유로 외단열에서 내단열로 변경하게 되었습니다.

(외부는 석재마감부위는 세척, 조적마감부위는 메지손상부위 보수 후 '덤프록' 또는 '드라이락'으로 마감해주려고 합니다.)

 

단열작업을 하여 집을 여름엔 시원하고, 겨울엔 따뜻하게 하고 싶음이 목적이고, 곰팡이 발생을 막는것이 가장 큰 목적 입니다. 

이번에 전체 공사를 하는 가장 큰 이유도 단열작업때문 입니다.

 

창호는 예산문제로 공사제외하였고, 리모델링한지 약 15년이 경과되어 창호의 모헤어와 방충망만 교체 예정 입니다.

 

긴 글 읽어주셔서 감사드리며, 많은도움 부탁 드립니다.

Comments

M 관리자 2022.09.05 10:05
안녕하세요.
"여름엔 시원하고, 겨울엔 따뜻하게 하고 싶음이 목적"은 정성적이라서 이 행위를 통해서 목적을 이룰 수 있을지는 별개의 문제같습니다.
또한 곰팡이는 실내 습도를 건전하게 유지하는 것이 무엇보다 중요합니다. 그러므로 리모델링 후 온습도계를 구입해서 관리를 하시길 권해 드립니다.

-------------------------
1. 녹색구간은 일부 벽체를 구멍내어 확인해보니 문틀에서의 공간이 50mm뿐이어서 50T 이상을 할 수 없는 상황입니다.(문틀을 가린다는 계산하에 60mm까지는 가능할 것 같습니다.) [방3]이 보일러하고도 멀고, 2층이 없는 구간이라서 겨울에 가장 추운공간인데 더 단열을 완벽하게 할 수 있는 방법이 없을까요?
(외부계단측(도면상 좌측)에 창호가 있었으나 창호는 막아서 단열할 예정입니다.)
▶ 단열은 주어진 상황에서 최선을 다하는 것이고, 할 수 없다는 어쩔 수 없습니다.
 

2. 보라색구간은 전체 T100으로 하려다가 이런저런 관련글들을 최대한 찾아 읽어보니 곰팡이 방지용정도만 하면 된다고 하여 T50으로 줄일 계획 입니다.(공간확보+공사비 하락)
외기의 닿지 않는 부분의 단열재 시공길이를 어느정도 해야 할까요?(외기에 닿지 않는 부분이라도 단열을 전체 하는게 더 좋다면 그리 하겠습니다.)
▶ 이 부분은 두께 30mm, 너비는 500mm 로 하시면 되세요. 더 두꺼울 필요는 없습니다.
 

3. 화장실은 다른벽은 시공이 불가능(벽체에 거울 및 각종 용품과 가구류들의 설치)하여 외측벽만 T100으로 시공하려고 합니다. 현재 외측벽으로 창호가 있었으나 창호를 없애고 배기장치를 설치하려고 합니다.
(목골조 없이 단열핀과 우레탄폼으로 아이소핑크 부착-메쉬+미장-타일마감)
▶ 제시하신 방법은 불가능합니다. 압출법단열재 위에 메쉬미장이 불가능하기 때문입니다. 방수도 시공을 해야 하고요.
그러므로...
가. 단열재 본드붙임+목재바탕+CRC보드(조인트메쉬) 또는 전방수석고보드+방수층
나. 단열재 본드붙임+CRC보드(조인트메쉬) 또는 전방수석고보드 본드 붙임+방수층
중에 하나를 선택해야 합니다.

 
5. 목구조틀이 걸리는 위치는 단열재가 들어가지 못할텐데 그 부위에는 우레탄폼으로만 충전해도 될까요?
▶ 이 부분도 어쩔 수 없는 부분입니다. 말씀하신 대로 하시는 방법 밖에 없습니다.
G 진선덕 2022.09.05 14:56
상세한 답변 감사드립니다.!
참고해서 마무리 잘 할수 있도로 하겠습니다.

즐겁고 행복한 한가위 보내세요~~:D
Category