설계/시공관련 질문 261 페이지 > (사)한국패시브건축협회 (Passive House Institute Korea)
한국패시브건축협회
협회안내
임직원 및 회원사현황
조직도
인사말
주요 사업
목적 및 연혁
가입안내
협회 정관
공평성 선언문
오시는 길
공지
공지사항
협회 동정
회원사 동정
협력사 동정
보도자료 /소식
오픈하우스 소식
신청
패시브건축 인증 신청
신축
리모델링
기밀성능테스트 신청
에너지성능 현황분석 신청
건축부재 시뮬레이션 신청
실무자 교육 신청
세미나 신청
표준주택 견학 신청
장비대여신청
표준주택
표준주택
표준주택 문의
표준주택 사례
시즌1
시즌2
시즌3
시즌4
표준주택 시공과정
경량목구조
스틸하우스
RC+평지붕
자료실
기술자료
자료 내려받기
전문가 칼럼
책 소개
Passipedia 번역
질문/하자사례
자주 묻는 질문
설계/시공관련 질문
하자/불편 관련 질문
열해석관련 질문
Energy# 관련 질문
WUFI 관련 질문
이런 저런 이야기...
사례집
사례집(저에너지/패시브)
사례집(회원일반건축물)
좌충우돌 제로에너지 아파트 리모델링
인증건물 매매/임대
자재정보
단열
회원사_하이셀 : 엘에스기연
회원사_EZ Block : 이지블록
회원사_동건
회원사_정양SG
회원사_디케이보드
외단열미장마감
방수상부외단열공법(역전지붕)
회원사_주잡자재
회원사_주티푸스코리아
열교
회원사_티푸스코리아
회원사_TB Block
회원사_이비엠리더
회원사_스타빌엔지니어링
회원사_정양SG
기밀
회원사_프로클리마 : 프로클리마코리아
회원사_유로벤트 : 이루카씨앤티
회원사_SIGA : 잡자재
창호
회원사_케멀링 : 엔썸
회원사_레하우 : 유로레하우
회원사_KBE : 우신윈시스템
회원사_살라만더 : 에스알펜스터
회원사_바우엔 : 승효
회원사_디크닉 :삼익산업
회원사_트로칼 :윈체
차양
환기
회원사_SSK : 스타즈스터링코리아
회원사_은성화학
회원사_옥토아이앤씨
회원사_휴마스터
회원사_komfovent : 잡자재
협력사_대호에이엘
설비
회원사_복사냉방 : 잡자재
회원사_ 건식난방패널 : 에코-에너다임
친환경
회원사_ESB : 프로클리마코리아
협력사_코닝정밀소재
협회안내
임직원 및 회원사현황
조직도
인사말
주요 사업
목적 및 연혁
가입안내
협회 정관
공평성 선언문
오시는 길
공지
공지사항
협회 동정
회원사 동정
협력사 동정
보도자료 /소식
오픈하우스 소식
신청
패시브건축 인증 신청
기밀성능테스트 신청
에너지성능 현황분석 신청
건축부재 시뮬레이션 신청
실무자 교육 신청
세미나 신청
표준주택 견학 신청
장비대여신청
표준주택
표준주택
표준주택 문의
표준주택 사례
표준주택 시공과정
자료실
기술자료
자료 내려받기
전문가 칼럼
책 소개
Passipedia 번역
질문/하자사례
자주 묻는 질문
설계/시공관련 질문
하자/불편 관련 질문
열해석관련 질문
Energy# 관련 질문
WUFI 관련 질문
이런 저런 이야기...
사례집
사례집(저에너지/패시브)
사례집(회원일반건축물)
좌충우돌 제로에너지 아파트 리모델링
인증건물 매매/임대
자재정보
단열
외단열미장마감
방수상부외단열공법(역전지붕)
열교
기밀
창호
차양
환기
설비
친환경
메인
협회안내
공지
신청
표준주택
자료실
질문/하자사례
사례집
자재정보
0
자주 묻는 질문
설계/시공관련 질문
하자/불편 관련 질문
열해석관련 질문
Energy# 관련 질문
WUFI 관련 질문
이런 저런 이야기...
설계/시공관련 질문
질문 전에 먼저 검색을 해주세요.
열회수 환기장치 - 배기 없이 양압 형성?
6775
|
G
priest
|
댓글
5
|
2022.05.18
안녕하세요, 패시브협회 글에서 도움을 많이 받다 처음으로 질문 올려봅니다. 많은 고민 끝에 새로 리모델링하는 집에 경동 나비엔 제품이라도 설치해보려고 합니다. (그나마 국산 중에는 협회에서도 쓸 수 있다고 하신 제품 같아서요..) 설치해주시는 분께 상담을 받는데, 요즘에는 먼지가 많이 …
더보기
스틸하우스 구조설계(샾드로잉)는 어디에 의뢰해야 하나요?ㅠ ㅠ
6774
|
1
예린아빠
|
댓글
3
|
2022.05.17
저는 과거에 경량 스터드 트랙등으로 가벽과 천장 작업하는 일을 7년간 해왔구요 그런 자신감으로 직접 집을 짓기 위해 나름 분투하고 있지만 집을 올린다는 건 완전히 다른 세계네요. 순디 아빠 유투브도 보면서 희망회로를 돌리고 있지만 현실을 더 복잡하고 어렵네요. 스틸하우스 부재로 집을 직…
더보기
기밀층 내 보일러 설치 위치 질문
6773
|
3
내집마렵다
|
댓글
2
|
2022.05.17
리자님 안녕하세요. 기밀구역의 보일러 설치 위치에 관해 질문 올립니다. 이 궁금증은 아래의 질문글에서 이어지는 내용입니다. 설비실을 다락에 배치해도 될까요? http://www.phiko.kr/bbs/board.php?bo_table=z4_01&wr_id=32530#c_47569…
더보기
락판널 제품 문의 드립니다.
6772
|
3
땅쿠
|
댓글
8
|
2022.05.17
1. 석재보니까 창호 주변 눈물자국도 생기는데 저렇게 사진처럼 석재의 가장자리도 오염이 되던데요 락패널도 저렇게 될까요? 아니면 석재보다는 오염에 유리할까요? 그리고 예전에 오염이 아예 없는 외장재는 없다고 하셨던 것 같은데요. 빗물에 의해서 자동세척이 된다고 락판넬 홈페이지에 저렇게 …
더보기
태양광패널설치문의드립니다
6771
|
1
정덕구
|
댓글
5
|
2022.05.17
안녕하세요 협회에 무한신뢰를 가지고 있는 건축주입니다 협회의 직,간접적인 도움으로 입주를 하였습니다 문의드릴 내용은 태양광패널 설치건입니다 옥상은 역전지붕으로 시공하여 쇄석마감이 되어 있는 상태인데 여러업체에 문의한 결과 콘크리트면에 직접고정 방식이 아니면 설치할수없다 라는 답변만 돌아…
더보기
방수시트지에 대해 여쭙니다.
6770
|
G
김승현
|
댓글
9
|
2022.05.17
관리자님 안녕하세요? 혹시 판넬에 적합한 방수시트지가 따로 있는지 여쭙고 싶습니다. 또한 판넬벽에 시멘트보드를 붙여 방수가 가능한지요?
암막 커튼 설치시 열파 현상
6769
|
G
박진훈
|
댓글
2
|
2022.05.17
안녕하세요~ 평소에 정보만 얻다가 궁금한 점이 있어서 글을 작성합니다. 해가 들어오는 방향(남향)의 창호에 실내측 필름(열차단, 뽁뽁이 등)을 붙였을 때 로이코팅과의 작용으로 인한 열파 현상이 생기는 부분에 대한 글을 읽었습니다. 여기서 궁금한건 필름이 아닌 실내측에 암막 커튼을 설치해…
더보기
50년된 1층 단층주택 기초바닥없는 바닥공사 및 내단열 문의
6768
|
G
50년 단독주택
|
댓글
3
|
2022.05.17
안녕하세요, 50년된 연와조구조의 1층 단층주택 리모델링을 진행하려고 합니다. 현재 가장 우려되는 부분에 대해 질문드리려고 하며, 사진 함께 첨부드립니다. 1. 첫번째 질문 리모델링 공사를 진행하면서 바닥 전체 철거 후 바닥 공사를 새로 진행 하려고 합니다. 현재 집의 바닥 높이가 상당…
더보기
욕실 열교환형환기장치 설치건
6767
|
1
별이해님아빠
|
댓글
6
|
2022.05.16
안녕하세요. 협회 자료에 항상 큰 도움을 받고 있습니다. 감사합니다. 이번에 신축을 하는대요열교환형환기장치 관련 궁금한 것이 있습니다. 욕실(화장실)의 경우 보통 외부로 환풍장치를 설치하는대요열교환형환기장치 설치시에는열교환형환기장치를 통한 배기만 있으면 되는 것인가요 아님 별도의 환풍 …
더보기
기밀과 환기장치 질문 여쭤보고 싶습니다.
6766
|
3
땅쿠
|
댓글
3
|
2022.05.16
협회덕분에 기밀의 중요성에 대해서 잘 알게되었습니다. 감사합니다. 그런데 걱정이 되는것은 기밀해져서 실내오염된 공기가 건강을 해하고 혹여나 사망을 일으킬까 노파심이 드는데요. 죄송하지만 극단적인 얘기같이 들릴 수도 있지만 어렸을때 한 평만한 방에서 친구들 5~6명을 술마시고 좁은방에 옹…
더보기
벽돌타일 시공시 에어폴 사용
6765
|
G
박정규
|
댓글
6
|
2022.05.16
한국패시브협회의 건승을 기원합니다. 저는 단독주택 건축을 준비중인 예비건축주입니다. 골조는 경량목구조이고 외장은 벽돌타일을 부착할 계획입니다. 질문) 1. 경량목구조에 벽돌타일을 부착하면 시간이 지나면 탈락할 위험이 많은지요? 2. 외단열 보강과 타일부착력을 증가시킬 목적으로 미트하임 …
더보기
보일러 배관 결로 곰팡이 발생 관련
6764
|
G
hardy
|
댓글
1
|
2022.05.16
안녕하세요. 10년차 아파트이며, 작년 6월 인테리어 공사 진행 후 거주하고 있습니다. 최근 화장실 바깥쪽 벽에 곰팡이가 올라와 걸레받이, 벽지를 까서 확인해보니 아래 사진과 같이 바닥에서 습기가 올라와 곰팡이가 발생하였습니다. (벽에는 곰팡이 발생 X) * 사진의 가운데 부분만 곰팡이…
더보기
테라스 역전방수 관련
6763
|
G
소상훈
|
댓글
6
|
2022.05.16
현재 테라스 역전방수 시공 중에 있는데요 몇가지 궁금한 사항이 있습니다 1. 우선, 이중배수를 하면서 전용배수자재를 사용하지 않고 일반배관에 드릴로 구멍을 뚫어 놓았는데요 이중 배수 목적에 문제는 없을런지요 또한, 배관이 막혀 슬래브와 배관 이음부 누수의 문제는 없을까요? 2. 부직포를…
더보기
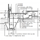
기초 설계 검토 부탁 드립니다.
6762
|
G
SM
|
댓글
3
|
2022.05.16
기초설계 검토 부탁 드립니다. 방통 단열 : 50T 기초단열 : 150T(나등급), 기단부 50T 방통에 추가적인 단열이 필요한지(지역 : 경남) 그리고, 기초공사 수정 할 사항이 없는 지 검토 부탁 드립니다.
전열교환기 관련 질문이 있습니다.
6761
|
G
박정수
|
댓글
6
|
2022.05.16
안녕하세요. 두가지 질문이 있습니다. 유튜브를 보는데 국내 전열교환기 급.환기 디퓨저 위치가 잘못 설치된 경우가 많다고 하는걸 봤습니다. 혹시 어떻게 위치를 정하는지 알려준 영상이 있나 찾아봤는데 못찾겠네요. 방문쪽이 환기라는데, 환기가 방문 기준 안쪽 인지 밖인지 모르겠어요. 또한 안…
더보기
SIP 건축에서의 창호준비
6760
|
G
kaye
|
댓글
4
|
2022.05.15
안녕하세요. SIP으로 집을 짓고 있고 있습니다. 판넬 설치업자의 매뉴얼대로 구조를 설치하고 겉면에 방수투습지를 붙인후에 외장을 위해 레인스크린을 설치했습니다. 제 생각으로는 개구부에는 주변 방수투습지를 잘라서 개구부 안쪽으로 감싸야 할 것 같은데 이곳에서는 모두 바깥쪽으로 접어넣고 레…
더보기
벽면에 설치된 난방 배관
6759
|
G
양상기
|
댓글
2
|
2022.05.15
외국인것 같은데 벽에 난방배관을 설치하는걸 보았습니다. 벽속은 저렇게 배관을 하고, 한번 더 내벽 마감을 하는것 같습니다. #그림 첨부 참조# 그냥 외국식 찜질방이거나, 일종의 라디에이터 일까요? 일반 건물 이라면, 곰팡이 방지나 보온에 유리한걸까요? 벽난방이 유리한게 있다면, 난방용 …
더보기
alc 마감등 문의드립니다.
6758
|
G
김다훈
|
댓글
4
|
2022.05.15
안녕하세요 . 이번에 alc복합으로 단층 주택을 짓게 되었는데 몇가지 디테일이 까다로워 문의를 드립니다. 기본 경량철골조에 벽체를 200t alc로, 지붕은 징크판넬260t로 하려고합니다. 1.지붕이 올라가는 철골은 외기와 직접 닿지않게 alc내부로 마감할 생각인데 지붕처마쪽이 1미터 …
더보기
안녕하세요 벽돌조적 문의드립니다
6757
|
1
초보전기쟁이
|
댓글
2
|
2022.05.15
안녕하세요 관리자님 항상 좋은 의견주셔서 너무 감사합니다 치장벽돌 마감인데 벽돌 아래 조적턱을 연석같은 그런 돌을 놓고 그 위에 벽돌을 조적해도 되나요?
연면적 200m2 이하 주택에서 계단참 설치의무 여부
6756
|
1
파인애플대디
|
댓글
7
|
2022.05.15
안녕하세요 또 질문 올립니다. 지하실 면적 제외 연면적 200m2 이하 철존 설계중인데 지하-1층 3300 1층-2층 3300 층고 입니다. 천정고는 2700 정도이나 계단높이는 3000이 넘을 것 같은데 200m2 이하는 계단참 설치의무가 없다고 알고 있었는데 설치를 해야 한다고 주변…
더보기
RC조 박공지붕 시공방법 및 재료에 대한 고견
6755
|
1
파인애플대디
|
댓글
5
|
2022.05.15
안녕하세요 항상 도움 많이 받고 있는 유투브 열혈시청자 입니다. 철콘박공지붕 설계 디테일은 패시브협회 자료를 봐서 잘 알고는 있습니다. 하지만 지붕평활도의 문제, 열교의 문제, 아연각관 용접시 가능한 단열재 손상, 또 이로인한 단열재 선정의 고민 등 여러 애로사항이 있어서 설계단계에서 …
더보기
문의드립니다.
6754
|
G
감사함
|
댓글
6
|
2022.05.14
안녕하세요, 인테리어 앞두고 고민이 많아 검색하다 보니 이곳까지 오게되었어요. 이런 질문이 이곳에 적합한지 잘 모르겠지만, 그래도 여쭤보고 싶어서 용기를 내 봅니다. 혹시, 비확장 아파트를 확장 공사 하시는 것에 대해 어떻게 생각하시는지 궁금해요. (전문가 입장에서는 개인적으로 어떤 형…
더보기
연와조 파손 관련 문제와 보수 방법
6753
|
G
정상욱
|
댓글
1
|
2022.05.14
건물 외벽 일부분이 다음 사진과 같이 파손되었습니다. 외부 치장벽돌을 포함해, 단열재와 내부 구조체 벽돌(?)이 일부분 파손되어 있는데, 이와 관련해서 보수를 해야할 지 말지 고민중입니다. 딱히 큰 문제가 없다면 그냥 놔두려고 하는데, 1. 만약 보수를 하지 않는다면 어떤 문제가 생길지…
더보기
바닥재 사이에서 흙본드물이 올라옵니다.
6752
|
G
요니
|
댓글
5
|
2022.05.14
바닥재 시공한지는 6개월이 넘어가는데 매장에 사람이 많이 오는 날에 이렇게 바닥재와 바닥재 사이 틈에서 흙물(+본드물)이 올라옵니다. 본드물인지 어떻게 알았냐면 저게 저대로 굳으면 그냥 밀면 닦이는게 아니아 밀어지면서 닦입니다..하 해결책이 어떻게 있을가요? 다시 바닥재 다 뜯고 다른 …
더보기
글쓰기
261
262
263
264
265
266
267
268
269
270
Search
검색대상
제목
내용
제목+내용
회원아이디
회원아이디(코)
글쓴이
글쓴이(코)
검색어
필수
Login
Login
자동로그인
회원가입
|
정보찾기
Category
자주 묻는 질문
설계/시공관련 질문
하자/불편 관련 질문
열해석관련 질문
Energy# 관련 질문
WUFI 관련 질문
이런 저런 이야기...