실내측 투습방수지 표면에 단열 추가 가능 여부 문의드립니다.

설계/시공관련 질문

질문 전에 먼저 검색을 해주세요.

 

실내측 투습방수지 표면에 단열 추가 가능 여부 문의드립니다.

1 11월20일 3 3,317 2023.01.24 12:28

안녕하세요.

 

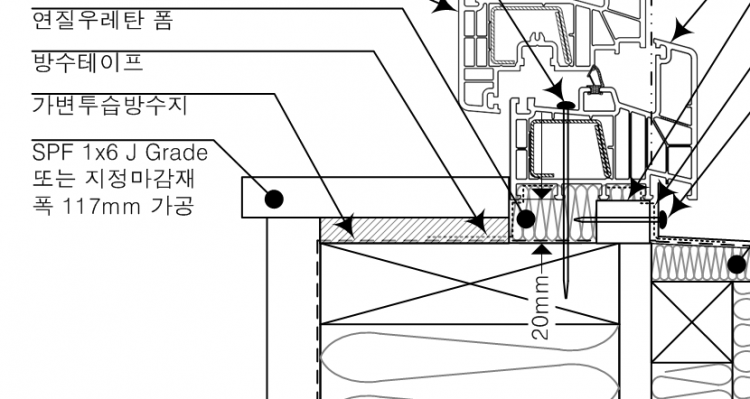
창의 실내 마감재 평활도를 맞추기 위해 창틀 구조재와 간격(빗금 친 부분)을 띄워 고정하려고 합니다.

 

상세설계_2.png

 

간격을 띄우기 위해서 12mm 합판을 잘라서 창틀 따라 3~4자리 정도에 놓으려고 하는데요..

그러다 보니 창틀 실내 마감재(도면상 SPF J Grade 1x6)와 구조재 간에 빈 공간이 생깁니다.

 

wd_finish_tr.png

 

위 그림의 네모 세개가 12mm 합판 조각이고 사이사이 빈 공간이 있습니다.

이 공간을 우레탄 폼이나 그라스울로 채워도 괜찮을까요..?

 

새해 복 많이 받으세요~~~!!

 

Comments

M 관리자 2023.01.24 12:27
네 괜찮습니다.^^
그 합판 조각의 고정만 잘하시면 되고, 가급적 글라스울로 하시어요..
합판의 고정을 위해서 타카로 박아서 투습방수지에 구멍이 생기는 것은 우려하지 않으셔도 되세요. 합판이 누르고 있기에 하자로 이어지지는 않게 됩니다.

새해 복 많이 받으세요~~
1 11월20일 2023.01.24 12:52
연휴 중에 답변을 주시다니;;; 감사합니다 ㅠ
그라스울로 잘 채워볼께요..

합판과 투습방수지 사이에는 Eurovent PUR 를 쓰려고 하고요...쓰다 남은게 좀 있어서;;
합판을 델타피스 고정 후 마감재를 합판에 F30 스텐핀으로 고정해보려고요..좀 약할 건 같긴 한데..
그리고 마감재의 핀 자국을 나무퍼티로 메꾸고 샌딩하고 오일...이게 신나는 일인지 개미지옥인지 모르겠네요 :-)
M 관리자 2023.01.24 14:21
스텐핀 괜찮습니다. 아마도 마감재 고정 전에 합판에 목공본드를 사용하게 될거여요.
즐겁게 끝내기실 기원하겠습니다.^^
Category